![]() |
| SENT and SENT SPC | ||
| Link | Explanation | |
|---|---|---|
| 1 | Latest SENT User's manual, Rel 8.3/2017 | Latest SENT User's manual for Release 8.3/2017 Contains all necessary instructions for decoding Fast Channels as Nibbles and Words, as well as Slow Channels, filter and SCDF files |
| 2 | SENT User's manual, Rel 7.1 | SENT User's manual for Release 7.1. Contains all necessary instructions for decoding Fast Channels as Nibbles and Words, as well as Slow Channels. |
| 3 | SENT Release Notes for Release 7.2 | Contains the description of many improvements added in release 7.2. The decoding of the slow channels has been improved, the table organisation, the SCDF parser as well many other aspects |
| 4 | SAE website for SENT specification | Unlike many other specifications freely available on the Internet, the SENT specification can only be purchased from the Society of Automotive Engineers (SAE). Furthermore, the distribution of the electronic document is limited by an electronic licensing system, allowing the reading of the document only on the machine for which the licensed has been purchased. The number of copies that can be printed with one license is also limited. Printing one page is not different from printing the entire document. It is therefore advisable to use the number of available prints to print the entire document. |
| 5 | Example of SCDF | Slow Channel Definition File (SCDF) Default File. This file can be cloned and edited for every type of sensor or SENT device. The file is then selected through the Filename Picker of the SENT Slow Channel Dialog, in the decoder's interface. |
| 6 | Micronas_SCDF.txt |
Customisation of default SCDF file for the Micronas HAL28xx sensors documented below. This file defines the "Slow Messages Definition Table" for 4 bit message IDs , as defined in the 2007 specification. In this case, the tables for manufacturer's names and error codes are not used. The Slow messages convey information about the Serial Numer, the Temperature, the System Clock and some other internal states. Examples of decoded streams are shown in items 3 and 11 of the Micronas measurements. |
| 7 | Melexis_SCDF.txt |
Customisation of default SCDF for the Melexis sensors documented below. This file defines the "Slow Messages Definition Table" for 8 bit message IDs , as defined in the 2010 specification. 4 Additional messages are defined. 4 messages IDs are interpreted with lookup tables: DiagnosticMessages, SENTSensorClasses, ManufacturerCodes and SENTRevisionCodes. |
| 8 | HELLA_SCDF.txt |
Customisation of default SCDF for the Hella Sensor documented below. This file defines the "Slow Messages Definition Table" for 4 bit message IDs , as defined in the 2007 specification. In this case, the tables for manufacturer's names and error codes are not used. The Slow Messages convey information primarily about the wafer position of the IC, as well as the lot number. |
| 9 | Teledyne LeCroy SENT Data sheet and ordering information | Link to the Teledyne LeCroy Data sheet for the SENT decoder |
| 10 | Teledyne LeCroy SENT manual | Link to the Teledyne LeCroy Manual for the SENT decoder |
| 11 | SENT Decode example | SENT Decode example (Fast channels only) |
| 12 | SENT Parameters robustness demonstrated | This video shows the reaction of the SENT parameters to a loss of signal. When the SENT signal is lost, or heavily corrupted, the decoder stops operations and the table becomes completely empty. The parameters such as ColumnToValue, BusLoad, TimeAtMessage, MessageToValue reset their statistics. When the signal is reapplied to the input BNC, the entire computational chain resumes properly. In this case the signal is simply created/annihilated using a LAH10x inserted into Channel 1 |
| 13 | Multiple SENT decoding on Pressure Sensors | Live experiment showing 4 pressure curves in paralell. The processing completely parallelizes the 4 decoders, the 4 MessageToValue and the 4 Trends monitoring the 4 MessageToValue. Using this method a sensors could be tested simultaneously, either using the osciloscope based Pass-Fail system or interrogating the oscilloscpe from a test PC. |
| Application Examples for Micronas HAL 283x | ||
| Image | Explanation | |
|---|---|---|
| 1 | ![]() |
The HAL 283x circuits are mounted onto a small test PCB (LAH 102, universal test PCB) providing the 5 V supply and connecting the output of the circuit to the DSO input BNC. This is a convenient and reliable environement, with which all of the examples below are generated. Each case study contains: ** 1 TRC file with the raw data, ** 1 JPG file with image of decoded trace and main settings of SENT decoder. ** 1 TXT file with the Decoder 1 setting in panel form suitable for injection into the scope. The file extension can be changed to LSS for convenience. |
| 2 | HAL283x_Linear_Hall-Effect_Sensor_Family_with_SENT_Interface_(AI000143002EN).pdf | Manufacturer's Datasheet for HAL283x. |
| 3 |
Micronas_2830_1.trc Micronas_2830_1.jpg Micronas_2830_1.txt Micronas_SCDF_2830_1.jpg Micronas_SCDF.txt |
HAL 2830 Case 1 TT 2us 12 bit resolution No Pause Pulse FS = 2KHz The second jpg file shows the decoding in "Slow only" mode with solely the contents of the slow channels decoded. In order to interpret the Slow Channels, the corresponding SCDF file is provided. It is based on the Default SCDF enclosed above. |
| 4 |
Micronas_2830_2.trc Micronas_2830_2.jpg Micronas_2830_2.txt |
HAL 2830 Case 2 TT 2.75us 12 bit resolution No Pause Pulse FS = 2K. |
| 5 |
Micronas_2830_3.trc Micronas_2830_3.jpg Micronas_2830_3.txt |
HAL 2830 Case 3 TT 2.75us 12 bit resolution No Pause Pulse FS = 31Hz. |
| 6 |
Micronas_2831_1.trc Micronas_2831_1.jpg Micronas_2831_1.txt |
HAL 2831 Case 1 TT 2.25us 16 bit resolution No Pause Pulse FS = 2KHz. |
| 7 |
Micronas_2831_2.trc Micronas_2831_2.jpg Micronas_2831_2.txt |
HAL 2831 Case 2 TT 2.75us 16 bit resolution No Pause Pulse FS = 1KHz. |
| 8 |
Micronas_2831_3.trc Micronas_2831_3.jpg Micronas_2831_3.txt |
HAL 2831 Case 3 TT 17.75us 16 bit resolution No Pause Pulse FS = 31Hz. |
| 9 |
Micronas_2832_1.trc Micronas_2832_1.jpg Micronas_2832_1.txt |
HAL 2832 Case 1 TT 2us 12 bit resolution Pause Pulse FS = 2KHz. |
| 10 |
Micronas_2832_2.trc Micronas_2832_2.jpg Micronas_2832_2.txt |
HAL 2832 Case 2 TT 2.75us 12 bit resolution Pause Pulse FS = 1KHz. |
| 11 |
Micronas_2832_3.trc Micronas_2832_3.jpg Micronas_2832_3.txt Micronas_SCDF_2832_3.jpg |
HAL 2832 Case 3 TT 17.75us 12 bit resolution Pause Pulse FS = 31Hz The second jpg file shows the decoding in "Slow only" mode with solely the contents of the slow channels decoded. In order to interpret the Slow Channels, the corresponding SCDF file is provided. It is based on the Default SCDF enclosed above. |
| 12 |
Micronas_2833_1.trc Micronas_2833_1.jpg Micronas_2833_1.txt |
HAL 2833 Case 1 TT 2us 16 bit resolution Pause Pulse FS = 2KHz. |
| 13 |
Micronas_2833_2.trc Micronas_2833_2.jpg Micronas_2833_2.txt |
HAL 2833 Case 2 TT 2.75us 16 bit resolution Pause Pulse FS = 1KHz. |
| 14 |
Micronas_2833_3.trc Micronas_2833_3.jpg Micronas_2833_3.txt |
HAL 2833 Case 3 TT 17.75us 16 bit resolution Pause Pulse FS = 122KHz. |
| 15 |
Compare_FS_2832_3_31Hz_vs_2833_3_122Hz.jpg Compare_FS_2832_3_31Hz_vs_2833_3_122Hz.jpg |
These images exemplify the Filter Setting (FS) effects on the circuit. Both images are 2 examples of the same circuits, but each has different FSs. One circuit is connected to C1, the other circuit is connected to C2. The simultaneous measurement yields a good comparison. The step size of the Track is commensurate with the filter settings. |
| Application Examples for Melexis Pressure and Temperature sensors | ||
| Image | Explanation | |
|---|---|---|
| 1 | ![]() |
The Melexis sensors MLX90809 and MLX90367 are both mounted on the LAH 100 test board. The little board is powered by a regulator producing 5V out of the 12 V I2C port. Both sensors require a 5V supply. As soon as the evaluation board is connected, the sensor will emit. Each case study contains: ** 1 TRC file with the raw data, ** 1 JPG file with image of decoded trace and main settings of SENT decoder, ** 1 JPG file (optional) with image of the Slow Channel decode, ** 1 TXT file with the Decoder 1 settings in panel form suitable for injection into the scope. The file extension can be changed to LSS for convenience. |
| 2 |
Melexis_LAH101.trc Melexis_LAH101.jpg Melexis_LAH101.txt Melexis_SCDF_LAH101.jpg Melexis_SCDF_LAH101.txt |
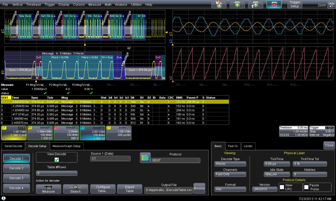
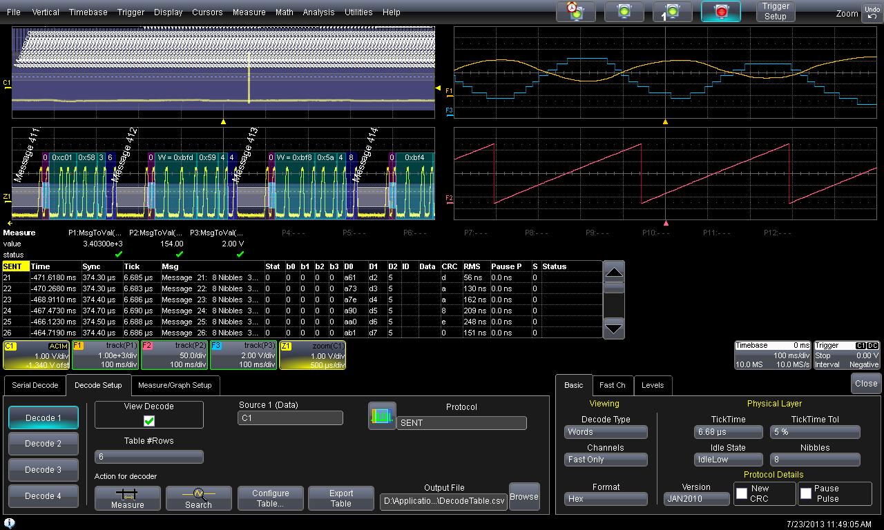
These examples show a complete decode of Fast and Slow Channels on Melexis 90809 Pressure/Temperature sensors. They also show the Trends of Pressure and Temperature. The TRC files allow repeating the decode on any other machine, without having the signal on hand. The LSS files (here renamed TXT for ease of use) document the decoder settings. The SCDF file shows the table contents for the Slow Channel definition file. |
| 3 | Examples Melexis | The Melexis sensors 90809 (Differential pressure/temperature) and 90367 (Hall) are used on the LAH10x project. The LAH10x is a compact SENT signal source attaching to the Probus connector of a LeCroy DSO. It is well suited to trainings, demo, tests and covers many of the key specifications 2007/2010. It also exemplifies the use of Track and Trends of values embedded in the Fast Channels. The values are Pressure and Temperature, but also a running counter or the inverse of the Pressure for redundant sensors. The link on the left leads to the LAH10x home page. |
| Application Examples for Hella Angle sensors | ||
| Image | Explanation | |
|---|---|---|
| 1 | ![]() |
This is an example of the Hella Angle sensor embedded into a device. The sensor is connected via 3 wires to the LAH 102 evaluation board. As soon as the voltage regulator starts up, the sensor gets powered and reacts by starting to broadcast data. As shown on the picture the LAH102 can also accommodate a 3 pin connector receiving the wires from the device. Each case study contains: ** 1 TRC file with the raw data, ** 1 JPG file with image of decoded trace and main settings of SENT decoder, ** 1 JPG file (optional) with image of the Slow Channel decode ** 1 TXT file with the Decoder 1 setting in panel form suitable for injection into the scope. The file extension can be changed to LSS for convenience. |
| 2 |
HELLA_463752_Roll_Cnt_Trend.trc HELLA_463752_Roll_Cnt_Trend.jpg HELLA_463752_Roll_Cnt_Trend.txt |
HELLA 463752 Invert Signal (Trend) TT = 6us 12 bit resolution no Pause Pulse CRC 2008. |
| 3 |
HELLA_463752_Roll_Cnt_Track.trc HELLA_463752_Roll_Cnt_Track.jpg HELLA_463752_Roll_Cnt_Track.txt |
HELLA 463752 Invert Signal (Track) TT = 6us 12 bit resolution no Pause Pulse CRC 2008. |
| 4 |
HELLA_463753_Inv_Sig_Trend.trc HELLA_463753_Inv_Sig_Trend.jpg HELLA_463753_Inv_Sig_Trend.txt HELLA_463753_Inv_Sig_sc.jpg |
HELLA 463753 Invert Signal (Trend) TT = 1.5us 12 bit resolution no Pause Pulse CRC 2008 C1 shows the raw data for about 10 messages. Z1 shows a zoom of C1 focusing on a single message, with its Status Nibble (0x4), 2x3 data nibbles (0xbf6 and 0x409) and the CRC nibble (0x9). F1 shows the data embedded in the first 3 nibbles using a Trend of column D1. F2 is the corresponding Trend of the inverted data in D1 for the last 3 nibbles. The waves are obtained by manipulating the angle sensor in real time during the measurement. |
| 5 |
HELLA_463753_Inv_Sig_Track.trc HELLA_463753_Inv_Sig_Track.jpg HELLA_463753_Inv_Sig_Track.txt |
HELLA 463753 Invert Signal (Track) TT = 1.5us 12 bit resolution no Pause Pulse CRC 2008. |
| Application Examples of SENT Decoder | ||
| Image | Explanation | |
|---|---|---|
| 1 |
PausePulseCloseToSyncPulseOn3Msg.trc PausePulseCloseToSyncPulseOn3Msg.jpg |
This example shows a special case of SENT decoding. The particularity of this signal is the similitude of length between Pause Pulse and Sync Pulse. It is easy to decode correctly by tightening the TickTime Tolerance. By downloading the TRC file it is possible to load it into a memory and verify the decoding. Note that the default TickTime Tolerance is set to 25%, which accomodates most signals. |
| 2 |
![]() |
Complete setup of the digital lines for measuring a SENT sensor of digital line D13. Note that any other Dx could be used for that purpose. This method makes sense when a decoded view is needed, but not its detailed analog view as provided by an acquisition channel. The SENT decoding is completely identical to the one of an analog line, with exception of the rising and falling edges. |
| 3 |
![]() |
This view shows a SENT signal decoded using Digital1 and zoomed by Z1 onto Message 1 |
![]() |
| Copyright © 2009 - 2026 | Lahniss Sàrl | All Rights reserved Lahniss Signal Processing | Protocol Analysis | Software Consulting |Training info@lahniss.com |
||
| |